Product Summary
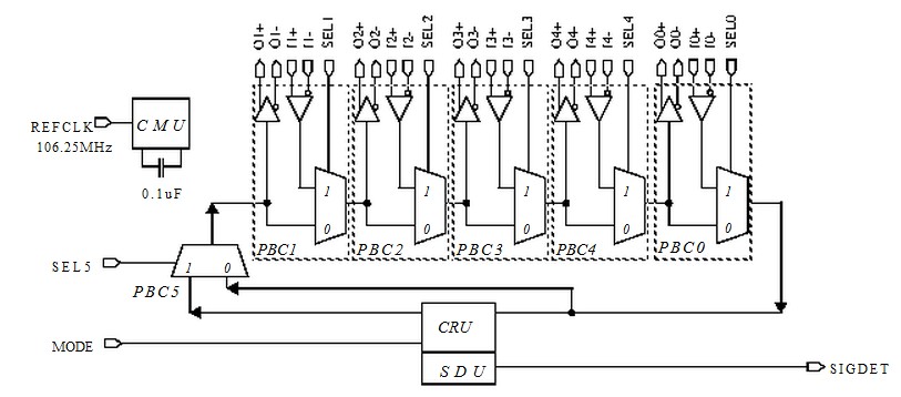
The VSC7127TQM is a repeater and port bypass circuit for fibre channel. It contains six cascaded port bypass circuits.
Parametrics
VSC7127TQM absolute maximum ratings: (1)TTL power supply voltage: 0.5V to 4V; (2)PECL DC input voltage: -0.5 to VDD+0.5V; (3)TTL DC input voltage: -0.5 to 5.5V; (4)DC voltage applied to outputs for high output state: -0.5 to VDD+0.5V; (5)Case temperature under bias: -55 to 125℃; (6)TTL output current: 50mA.
Features
VSC7127TQM features: (1)fibre channel compliant; (2)six port bypass circuits; (3)on-chip transmit termination; (4)analog/digital signal detect; (5)44-pin, 10mm PQFP package.
Diagrams

![]() |
![]() VSC7104 |
![]() Other |
![]() |
![]() Data Sheet |
![]() Negotiable |
|
||||||
![]() |
![]() VSC7104VP-01 |
![]() |
![]() IC SIGNAL COND 4X4 69-BGA |
![]() Data Sheet |
![]()
|
|
||||||
![]() |
![]() VSC7104XVP-01 |
![]() |
![]() IC SIGNAL COND QUAD 69-BGA |
![]() Data Sheet |
![]()
|
|
||||||
![]() |
![]() VSC7108 |
![]() Other |
![]() |
![]() Data Sheet |
![]() Negotiable |
|
||||||
![]() |
![]() VSC7108VP-01 |
![]() |
![]() IC SIGNAL COND 8X8 69-BGA |
![]() Data Sheet |
![]()
|
|
||||||
![]() |
![]() VSC7108XVP-01 |
![]() |
![]() IC SIGNAL COND OCTAL 69-BGA |
![]() Data Sheet |
![]()
|
|
||||||
(Hong Kong)








